
HIT赫拓传动-同步带轮
同步带轮又称同步轮,一般由钢,铝合金,铸铁,黄铜,等材料制造。内孔有圆孔,D形孔,锥形孔等形式。表面处理有本色氧化,发黑,镀锌,镀彩锌,高频淬火等处理。精度等级依客户要求而定。
1、生产的同步带轮既为国产化设备的同步带配套,又能代替进口同步带轮使用。
2、用户定制同步带轮,请提供带轮图纸(图中可不必绘制带轮的齿形尺寸),可按用户提供的规格型号、带轮内孔、键槽、宽度等尺寸为用户绘制带轮图纸。
3、同步带轮完全可以按照用户需求加工,同样我厂也可以为用户制定图纸

HIT赫拓传动-同步带轮
1)传动准确,工作时无滑动,具有恒定的传动比。
2)传动平稳,具有缓冲、减振能力,噪声低。
3)传动效率高,可达0.98,节能效果明显。
4)维护保养方便,不需润滑,维护费用低。
5)速比范围大,一般可达10,线速度可达50m/s,具有较大的功率传递范围,可达几瓦到几百千瓦。
6)可用于长距离传动,中心距可达10m以上。
7)无污染,可在不允许有污染和工作环境较为恶劣的场所下正常工作。

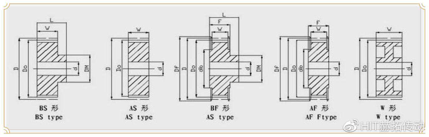
备注:A--表示同步带轮不带台阶B--表示同步带轮带台阶W--表示同步带轮两端有掏空孔(减重量结构)F--表示同步带轮带档片S--表示同步带轮不带档片。
同步带轮外径及节圆外径示意图
Pb=同步轮节圆或同步带节线上测得相邻两齿的距离。d=同步轮的节圆直径。do=同步轮实际外圆直径。
同步带轮表示方法









